High Capacity Inverters: Features and Installation Process
We have numerous appliances that make our daily life easier in today. To take care of our chores and household and professional requirements, we rely on these devices. In truth, they can safely be referred to as fundamental necessities. But what if they stopped working at once? Frightening, right?
Well, a high-capacity inverter that has the potential to take the load of all your appliances and is an excellent solution for you. Experience power like never before with high-capacity inverters for residential and industrial power backup from trusted brands like Luminous.

Here are some key features of a high capacity inverter:
- Convenient installation procedure.
- Takes load of AC, microwave, washing machine, refrigerator, steam iron, etc easily.
- Useful to run commercial facilities and appliances such as gas stations, showrooms, deep freezers, dental chairs, photocopiers, etc.
- It provides sensitive appliances in homes and offices with pure sine wave output, just like grid power.
- Operates with zero noise and low distortion of harmonics
- To promote comprehension of the inverter and battery status, it has a digital monitor.
- Short circuit, reverse polarity, battery over-charge, deep-discharge, etc with in-built safety.
- Runs higher load on fewer batteries, faster charging of batteries
Construction:
It has two fans on the back of the unit that automatically work to maintain the UPS temperature. Like in Low KVA inverters, there is a provision to choose between regulated UPS mode and unregulated UPS mode.
- Regulated UPS Mode- Ensures voltage input in the 180V to 260V band, which is sufficient for most computers.
- Unregulated UPS Mode-Passes the unregulated voltage and minimises battery usage.
The high capacity inverter also lets you choose the correct battery type (Tubular, flat plate and SMF) and also the battery capacity in case of iCruze series. The inverter automatically adjusts and optimizes the charging current according to battery type and capacity which increases the battery life and performance. In cruze series, the user can choose the charging current as per the battery capacity (High- 180 Ah to 240 Ah, low- 120 Ah to 135 Ah, medium- 150 Ah to 165 Ah).
Look at the installation procedure of a high capacity inverter:
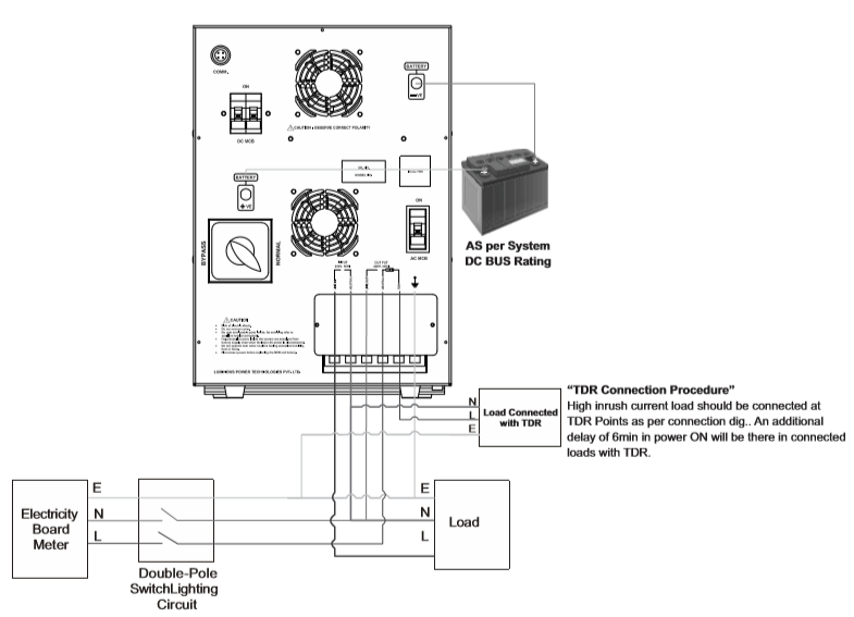
Check how many batteries are supported by the inverter depending on the voltage rating of the inverter.
The HKVA inverters are so designed that they support multiple batteries depending on the voltage rating of inverter. A 24V inverter supports two batteries whereas a 72V system supports 6 batteries. Suppose you purchased a 4 KVA UPS high-capacity inverter from a trusted brand like Luminous. Since the Luminous iCruze 4 Kva UPS is 36 volts, you need to connect a series of three 12-volt batteries. Other than this, you must also follow the steps listed below.
STEP 1:
Remember to turn off the battery MCB that you will find at the back of this high-capacity inverter before mounting the batteries. Be sure to customize the battery selection, capacity as per the battery purchased.
STEP 2:
Attach the first end of the jumper cable to the first battery’s negative terminal and the other end to the second battery’s positive terminal. Repeat this to interconnect the other batteries as well. You will see a red and black wire coming out of the high-capacity inverter after this is finished. You must attach red wire to the first battery’s positive terminal and the black wire to the last battery’s negative terminal.
STEP3:
You can find four coloured wires on the input terminal to take input from the mains and link the UPS output to the home load, i.e., the green wire should be attached to the earthing line, the black wire to the neutral line, and the red wire to the mains line. The yellow wire must be attached to the socket or an MCB box to provide the load with output power. It is the main supply input, and we have attached a direct wire from the output.

Fig1 : A reference diagram for HKVA inverter installation
With this step, your high capacity inverter installation will be complete. It is suggested that before switching on the inverter, you should not turn on the main supply. This is because the high capacity inverter could be affected by it. It is no wonder the perfect solution to all your issues with power cuts. So, what are you waiting for?
